Компания Кортех является представителем завода CARCO в России. Обеспечиваем прямые поставки и ведём переговоры напрямую без посредников. Уплотнения изготавливаются методом горячего прессования из износостойких эластомеров, укрепленных тканевым армированием.
Внимание: производство и подбор шевронных комплектов осуществляется для диаметроВ от 150 мм.
Преимущества CARCO при замене стандартных решений по ГОСТ:
✓ Работа на изношенном оборудовании
Уникальная геометрия кромок эффективно компенсирует выработку, коррозионные раковины и зазоры в узлах.
✓ Тяжелые нагруженные устройства
Стабильная герметизация при пиковых давлениях и интенсивных циклических нагрузках в гидросистемах.
✓ Увеличенный ресурс
Срок службы в 3-5 раз выше ГОСТ-аналогов за счет низкого коэффициента трения и высокой износостойкости материала.
✓ Подбор импортных аналогов
Прямая замена уплотнений брендов: James Walker, Trelleborg, Parker, Merkel (Simrit), SKF (Economos).
Применение: тяжелые прессы, прокатные станы, гидроцилиндры большой мощности, строительная и горнодобывающая техника.
Подбор по вашим параметрам:
Пришлите размеры (d/D/H), чертеж или артикул.
Рассчитаем стоимость и подготовим техническое решение.
* Информацию по данной позиции необходимо запросить у вашего менеджера.
Манжеты для оборудования повышенной мощности CARCOTEX/SP и CARCOTEX/SP/SG могут работать при максимальном давлении, боковой ударной нагрузке, объемных зазорах и риске утечки. Различные комбинации комплектов CARCOTEX позволяют создать индивидуальное техническое решение практически под любое задание, учесть особенности поршневого и штокового уплотнения и многие другие факторы, влияющие на срок работы комплекта.
РАЗМЕРЫ: Диаметр от 100 мм до 2500 мм и более, сплошные и с соединяемыми концами.
Для уменьшения силы трения на поверхность изделий CARCO может наноситься специальное напыление CARCOFLON.
| МАТЕРИАЛЫ И РАБОЧИЕ УСЛОВИЯ | ||
|---|---|---|
| Материал | Температура | Максимальная скорость |
| S820 | − 40° + 120° C (− 40° + 250° F) | 3 м/с |
| HT720 | − 40° + 170° C (− 40° + 340° F) | 3 м/с |
| Z420 | − 40° + 200° C (− 22° + 400° F) | 3 м/с |

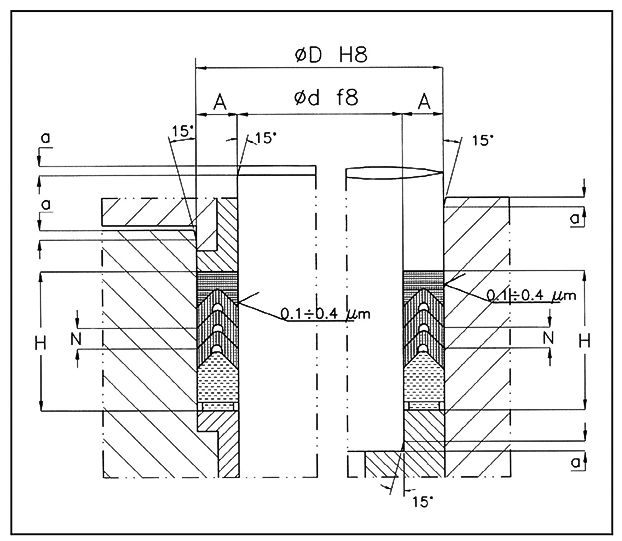
Классическое гидравлическое уплотнение для прямолинейного движения, применяемое как для масляных, так и для водных гидравлических систем. Симметричный профиль позволяет использовать тип UN в качестве уплотнения штоков и поршней при рабочих давлениях до 350 бар.
Комплекты состоят из:
Эта новая комбинация обеспечивает очень высокую антиэкструзионную стойкость и механическую прочность.
Carcotex/UN работает как уплотнение с низким трением, возникающим лишь при упругом осевом преднатяге в режиме низкого рабочего давления. С ростом давления манжеты прижимаются к уплотняющим поверхностям, что гарантирует правильную работу целого комплекта.
Большим преимуществом классических шевронных уплотнений является тот факт, что при начинающемся износе (просачивании) комплект можно многоразово подтягивать по оси. Замена уплотнения может быть произведена позже.
Комплекты Carcotex/UN могут поставляться с цельными (стандарт) или разъемными (SPLIT) кольцами и манжетами.
Все уплотнения Carcotex обычно поставляются из следующих материалов, упрочненных тканью: — NBR (S800) — H-NBR (HT700) — FPM (Z400). В смеси равномерно распределен тефлоновый порошок (TPFE), что снижает трение и повышает износостойкость, а значит и долговечность.
Для дополнительного снижения трения (особенно при работе в водной гидравлике) и для повышения скорости скольжения (до 3 м/с) возможно по желанию клиента поставить уплотнение с дополнительным напылением Carcoflon для динамически нагруженных поверхностей (внешний или внутренний диаметр). Для заказа уплотнения с напылением Carcoflon изменится код материала на S820, НТ720 или Z420.
| ДОПУСКИ КАНАВОК (UN) | |
|---|---|
| Ø d | мин. f8 |
| Ø D | H8 |
| H | дo Ø 500 0/+0,25 свыше Ø 500 0/+0,4 |
| Посадка | H8/f8 |
| ШЕРОХОВАТОСТЬ (UN) | |
|---|---|
| Скользящие поверхности | Ra 0,1 — 0,4 µm |
| Статические поверхности | Ra 1,6 max. |
| Торцевые поверхности | Ra 3,2 max. |
| Монтажная фаска 15° | ||||||
| A | 10 | 12,5 | 15 | 20 | 25 | 30 |
| a | 5,5 | 6,5 | 8 | 10 | 12,5 | 15 |
| d (мм) | A (мм) | (1+1+1) H min/max | (1+2+1) H min/max | Стандарт (1+3+1) | (1+4+1) H min/max | + N | ||||
|---|---|---|---|---|---|---|---|---|---|---|
| 100-170 | 12,5 | 25,0 | 30,8 | 30,9 | 37,0 | 37,1 | 43,3 | 43,4 | 49,6 | +6,2 |
| 150-450 | 15,0 | 31,0 | 37,4 | 37,5 | 44,9 | 45,0 | 52,4 | 52,5 | 59,9 | +7,5 |
| 400-800 | 20,0 | 38,5 | 47,5 | 47,6 | 57,5 | 57,6 | 67,5 | 67,6 | 77,5 | +10,0 |
| >600 | 25,0 | 44,4 | 55,6 | 55,7 | 68,0 | 68,1 | 80,6 | 80,7 | 93,0 | +12,5 |
Широкий диапазон размеров диаметром от 100 мм до почти 1 500 мм. Величину Н можно приспособить индивидуально у каждого комплекта путем коррекции прижимного кольца в пределах от Hmin до Hmax.

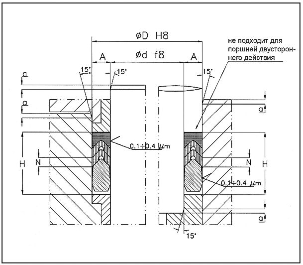
Классическое гидравлическое уплотнение для прямолинейного движения, применяемое как для масляных, так и для водных гидравлических систем. Симметричный профиль позволяет использовать тип SG в качестве уплотнения штоков и поршней при рабочих давлениях до 350 бар. Рекомендуется применять для поршней одностороннего действия.
Комплекты состоят из:
Комплекты Carcotex/SG могут поставляться с цельными (стандарт) или разъемными (SPLIT) кольцами и манжетами.
В смеси равномерно распределен тефлоновый порошок (TPFE), что снижает трение и повышает износостойкость, а значит и долговечность.
Для дополнительного снижения трения (особенно при работе в водной гидравлике) и для повышения скорости скольжения (до 3 м/с) возможно по желанию клиента поставлять уплотнение с дополнительным напылением Carcoflon для динамически нагруженных поверхностей (внешний или внутренний диаметр).
Для заказа уплотнения с напылением Carcoflon изменится код материала на S820, HT720 или Z420.
Carcotex/SG обладает следующими преимуществами:
Все уплотнения Carcotex/SG обычно поставляются из следующих материалов, упрочненных тканью:
| ДОПУСКИ КАНАВОК (SG) | |
|---|---|
| Ø d | мин. f8 |
| Ø D | H8 |
| H | дo Ø 500 0/+0,25 свыше Ø 500 0/+0,4 |
| Посадка | H8/f8 |
| ШЕРОХОВАТОСТЬ (SG) | |
|---|---|
| Скользящие поверхности | Ra 0,1 — 0,4 µm |
| Статические поверхности | Ra 1,6 max. |
| Торцевые поверхности | Ra 3,2 max. |
| Монтажная фаска 15° | ||||||
| A | 10 | 12,5 | 15 | 20 | 25 | 30 |
| a | 5,5 | 6,5 | 8 | 10 | 12,5 | 15 |
| d (мм) | A (мм) | (1+0+1) H min/max | Стандарт (1+1+1) | Стандарт (1+2+1) | (1+3+1) H min/max | + N | ||||
|---|---|---|---|---|---|---|---|---|---|---|
| 100-170 | 12,5 | 25,7 | 30,8 | 30,9 | 37,5 | 37,6 | 44,0 | 44,1 | 49,6 | +6,2 |
| 150-450 | 15,0 | 30,7 | 37,4 | 37,5 | 44,9 | 45,0 | 52,4 | 52,5 | 59,9 | +7,5 |
| 400-800 | 20,0 | 38,5 | 47,5 | 47,6 | 57,5 | 57,6 | 67,5 | 67,6 | 77,5 | +10,0 |
| >600 | 25,0 | 44,4 | 55,6 | 55,7 | 68,0 | 68,1 | 80,6 | 80,7 | 93,0 | +12,5 |
Широкий диапазон размеров диаметром от 100 мм до почти 1 500 мм. Величину Н можно приспособить индивидуально у каждого комплекта путем коррекции прижимного кольца в пределах от Hmin до Hmax.
МАНЖЕТЫ, САМООТКРЫВАЮЩИЕСЯ ПРИ ПОВЫШЕНИИ ДАВЛЕНИЯ
МАНЖЕТЫ СКОЛЬЖЕНИЯ
Комплекты Carcotex/SP как правило поставляются с разъемными (SPLIT) кольцами и манжетами. Простая конструкция комплкта значительно упрощает монтаж и демонтаж больших прессов.

Массивное гидравлическое уплотнение для прямолинейного движения, пригодное для наиболее тяжелых условий работы как в масляных, так и в водных гидравлических системах. Симметричный профиль SP может быть использован в качестве уплотнения штоков и поршней при рабочих давлениях до 630 бар. Это особенно важно при больших нагрузках, возникающих на прессах при горизонтальной штамповке стали, алюминия, меди и латуни, или при высоких ударных нагрузках (напр. вертикальные штамповочные прессы).
Комплекты всегда состоят из одного упругого нажимного кольца из эластомера характерного зеленого цвета, имеющего оптимальные механические свойства. Круговое рельефное кольцо работает в качестве упругого элемента, оптимизирующего необходимый осевой преднатяг уплотнительного комплекта.
Все уплотнения Carcotex/SP обычно поставляются из следующих материалов, упрочненных тканью:
В смеси равномерно распределен тефлоновый порошок (TPFE), что снижает трение и повышает износостойкость, а значит и долговечность.
Для дополнительного снижения трения (особенно при работе в водной гидравлике) и для повышения скорости скольжения (до 3 м/с) возможно по желанию клиента поставлять уплотнение с дополнительным напылением Carcoflon для динамически нагруженных поверхностей (внешний или внутренний диаметр).
Для заказа уплотнения с напылением Carcoflon изменится код материала на S820, HT720 или Z420.
| ДОПУСКИ КАНАВОК (SP) | |
|---|---|
| Ø d | мин. f8 |
| Ø D | H8 |
| H | дo Ø 500 0/+0,25 свыше Ø 500 0/+0,4 |
| Посадка | H8/f8 |
| ШЕРОХОВАТОСТЬ (SP) | |
|---|---|
| Скользящие поверхности | Ra 0,1 — 0,4 µm |
| Статические поверхности | Ra 1,6 max. |
| Торцевые поверхности | Ra 3,2 max. |
| Монтажная фаска 15° | ||||||
| A | 10 | 12,5 | 15 | 20 | 25 | 30 |
| a | 5,5 | 6,5 | 8 | 10 | 12,5 | 15 |
| d (мм) | A (мм) | (1+2+1) H min/max | (1+3+1) H min/max | (1+4+1) H min/max | +N | a (mm) | |||
|---|---|---|---|---|---|---|---|---|---|
| до 150 | 12,5 | 65 | 85 | 85 | 105 | 105 | 125 | +20 | 7 |
| 100-400 | 15 | 80 | 100 | 100 | 125 | 125 | 150 | +25 | 8 |
| 100-2200 | 19 | 90 | 125 | 125 | 155 | 155 | 185 | +30 | 10 |
| 20 | 90 | 125 | 125 | 155 | 155 | 185 | +30 | 10 | |
| 22,2 | 115 | 150 | 150 | 190 | 190 | 230 | +40 | 11 | |
| 400-2700 | 25 | 125 | 165 | 165 | 205 | 205 | 245 | +40 | 12 |
| 800-3000 | 27 | 125 | 165 | 165 | 210 | 210 | 250 | +43 | 14 |
| 28,6 | 125 | 165 | 165 | 210 | 210 | 250 | +43 | 15 | |
| 30 | 130 | 175 | 175 | 220 | 220 | 265 | +45 | 15 | |
МАНЖЕТЫ, САМООТКРЫВАЮЩИЕСЯ ПРИ ПОВЫШЕНИИ ДАВЛЕНИЯ, ДЛЯ ОБОРУДОВАНИЯ ПОВЫШЕННОЙ МОЩНОСТИ
ВЫСОКОЭФФЕКТИВНАЯ ОЧИЩАЮЩАЯ МАНЖЕТА
Наши технические специалисты помогут с подбором, чертежами, техническими аналогами и ответят на все вопросы.
Телефон:+7 (4822) 71-05-86
Отправьте заявку или техническое задание на нашу почту — мы свяжемся с вами и уточним все детали.
Email: info@coreteh.ru